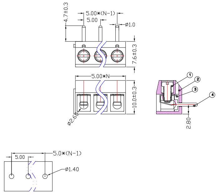
LP301R-5.0
螺钉式PCB接线端子
- 技术数据
- 产品尺寸
- 认证
- 商业数据
- 下载
基本信息Basic Information
产品型号LUPU Model | LP301R-5.0 |
产品间距Pitch 【mm】 | 5.0 |
产品层数 Number of levels | 1 |
产品位数Number of connections 【P】 | 2~24 |
接线方式 Connection method | 螺钉锁线Screw connection |
剥线长度Stripping Length [mm] | 5--6 |
螺钉/扭矩 Screw/Torque(Max)[N.m] | M2.5 / 0.4 |
工作温度Operating temperature [℃] | -40~+105 |
焊锡温度Soldering temperature | 260℃/5S |
引脚尺寸Pin dimensions[mm] | Ø1.0 |
PCB板孔径 PCB Hole Diameter[mm] | Ø 1.2 |
电气参数-IEC
过压类别 Overvoltage category | III | III | II |
污染等级Pollution degree | 3 | 2 | 2 |
额定电压 Rated Voltage 【V】 | 250 | 400 | 630 |
额定电流Rated Current【A】 | 17.5 | 17.5 | 17.5 |
额定冲击电压Rated impulse voltage【KV】 | 4 | 4 | 4 |
硬导线截面 Conductor cross section solid【mm²】 | 0.5~1.5 | ||
软导线截面Conductor cross section flexible【mm²】 | 0.5~1.5 | ||
电气参数-UL
使用组别 Use group | B | C | D |
额定电流Rated Current 【A】 | 16 | - | 10 |
额定电压Rated Voltage 【V】 | 250 | - | 250 |
额定接线容量Rated cross section 【AWG】 | 22~14 | ||
耐电压Dielectric Voltage-Withstand【KV】 | 1.5KV | ||
材料数据
材料环保environment | ROHS |
绝缘材料Insulation Material | PA66 |
阻燃等级Flame relardant rating | UL94V-0 |
导电件材质Conductor Material | 铜合金Copper alloy |
导电件表面镀层Plating of conductor surface | 镀锡Sn plated |

CQC CE ROHS
| LP301R-5.0.pdf | 点击下载 |

